Роздільники середовищ РМ5320 призначені для запобігання внутрішній порожнині чутливих елементів вимірювальних пристроїв (манометрів і перетворювачів тиску) від потрапляння в неї середовищ, агресивних, гарячих, кристалізованих, несних зважені тверді частинки.
За потреби, сторона мембрани роздільника, що стикається з агресивним вимірюваним середовищем, може бути захищена фторопластом.
Роздільники можуть з'єднуватися з вимірювальним пристроєм безпосередньо або через з'єднувальний рукав моделі 55004.
ОСНОВНІ ТЕХНІЧНІ ХАРАКТЕРИСТИКИ
Розділювачі випускаються за ТУ 25-05.2343-78.
Основні параметри роздільників вказані в таблиці.
|
Модель роздільника |
Верхні межі вимірювань вимірювальних пристроїв, комплектованих роздільниками, МПа (кгс/см2) |
Об'єми, заповнювані роздільною рідиною вимірювальних пристроїв, комплектованих роздільниками, см3 |
|
5319, 5320, 5497 |
0,025-2,5 (0,25-25) |
40 |
Примітки: 1. Розділювачі, розраховані на тиск 0,025; 0,04; 0,06 МПа (0,25; 0,4; 0,6 кгс/см2) призначені для роботи тільки з перетворювачами тиску ГСП, зазначеними в розділі 6.
2. Роздільники моделей 5320, 5322 (з відкритою мембраною) призначені для середовищ, кристалізованих, що виділяють осади або носійних суміжні тверді частинки.
Розділювачі призначені для роботи в умовах, нормованих для вигляду кліматичного виконання У3* і Т3** за ГОСТ 15150-69, але за температури навколишнього повітря від -30 до +60 °C.
Температура вимірюваного середовища на вході роздільника має бути в межах від -30 до +60 °C.
Розділювачі завжди застосовуються зі з'єднувальним рукавом, якщо температура вимірюваного середовища на вході роздільника вища від зазначеної.
Роздільник із вимірювальним пристроєм функціонує за температури до 90 °C. У разі з'єднання вимірювального пристрою з роздільником за допомогою гнучкого рукава та заповнення комплекту роздільною рідиною (ПЕС-2 ГОСТ 13044-77, ПМС-6 або ПМС-50 ГОСТ 13032-77) температура середовища, що вимірюється, має бути не більш ніж 100 °C.
Матеpiали деталей paздельників, що контактують із змащувальною схемою: сталь 12Х18Н10Т (ГОСТ 5632-72) — коppus; сталь 36НХТЮ (ГОСТ 10994-74) — мембpана. Для моделі 5494 матеріал фланця нижнього — сталь 45 (ГОСТ 1050-88).
Маса роздільників не більш ніж кг:
3 – для моделей 5319, 5494, 5497;
2,2 — для моделі 5321;
2 – для моделі 5320;
1,5 — для моделі 5322.
Маса сполучного рукава не більш ніж 0,4 кг.
Під час замовлення роздільника вказувати: найменування, умовне позначення, модель і, у разі потреби, наявність сполучного рукава та плівки з фторопласту, кліматичне виконання (входить тільки для виконання Т), позначення технічних умов.
Приклади замовлення:
Роздільник РМ, модель 5319, ТУ 25-05.2343-78.
Роздільник РМ, модель 5319, фторопласт, ТУ 25-05.2343-78.
Роздільник РМ, модель 5319, рукав моделі 55004, ТУ 25-05.2343-78.
Роздільник РМ, модель 5319-Т3, ТУ 25-05.2343-78.
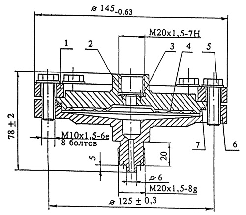
Габаритні та приєднувальні розміри роздільників вказані на рис. 10-15, а рукави сполучного гнучкого моделі 55004 — на рис. 16.
Роздільники виготовляються для потреб народного господарства та для постачання на експорт (зокрема для тропічного клімату).
Додаткова похибка вимірювання, що вноситьться роздільником, не більш ніж ± 1% нормувального значення пристрою у разі заповнення системи роздільними рідинами, зазначеними вище.
На вимогу замовника роздільники (роздільники зі з'єднувальним рукавом) можуть комплектуватися з вимірювальними пристроями типів: МТІ по
ТУ 25.05.1481-77; МС-П1, МС-П2, МВС-П1, МВС-П2, ВС-П1, МП-П2, МП-П3, МП-П4 на тиск 60 МПа (600 кгс/см2) за ТУ 25.05.2081-79 (тільки роздільники зі з'єднувальним рукавом). У цьому разі під час замовлення роздільника необхідно вказати відповідний вимірювальний пристрій, приклад замовлення якого наведений у розділах 6 або 8.
Прімепи замовлення:
Роздільник РМ, модель 5321, ТУ 25-05.2343-78, МТИ-1246-4 МПа-01,
ТУ 25.05.1481-77.
Роздільник РМ, модель 5319, ТУ 25-05-2343-78, ГСП.МС-П13-У3, віпхній плеч допуску основної погрішності Dд = ± 0,25 %, ТУ 25-05.2081-79.

Рис. 1. Габаритні та приєднувальні розміри
роздільника мембранного РМ моделі 5319
1-верхній фланець; 2-корпус; 3-прокладка; 4-мембрана;
5-болт; 6-нижній фланець; 7-прокладка
Рис 2. Габаритні та приєднувальні розміри роздільника мембранного РМ моделі 5320
1 — верхній фланець; 2 – корпус; 3 – прокладка;
4 – мембрана; 5 – болт; 7 – прокладка.
Рис 3. Габаритні та приєднувальні розміри роздільника мембранного РМ моделей 5321
1 — верхній фланець; 2 – корпус; 3 – прокладка;
4 – мембрана; 5 – болт; 6 — нижній фланець;
7 – прокладка.

мембранного РМ моделі 5322
1 — верхній фланець; 2 – корпус; 3 – прокладка;
4 – мембрана; 5 – болт; 7 – прокладка

- Ціна: 3 700 ₴





